Atlas Copco XAS 97: Troubleshooting & Maintenance Guide

P.Dailyhealthcures 131 views
Atlas Copco XAS 97: Troubleshooting & Maintenance Guide

Atlas Copco XAS 97: Troubleshooting & Maintenance Guide

Hey guys! Ever found yourself scratching your head over a grumpy Atlas Copco XAS 97 compressor? These workhorses are awesome, but even the best machines need a little TLC. In this guide, we’re diving deep into the Atlas Copco XAS 97 , covering everything from quick troubleshooting tips to detailed maintenance schedules. Whether you’re a seasoned pro or just starting out, this will equip you with the knowledge to keep your XAS 97 running smoothly and efficiently. We’ll explore common issues, how to identify them, and what steps you can take to get your compressor back in action. Let’s get started and keep those projects humming! We’ll look at the vital role of regular maintenance, why it’s not just a suggestion but a necessity for longevity and optimal performance. Regular maintenance minimizes downtime, prevents costly repairs, and ensures the Atlas Copco XAS 97 runs at peak efficiency. Neglecting this aspect can lead to a cascade of problems, from reduced air output to complete system failure. This proactive approach saves time and money, making it an essential part of owning and operating an Atlas Copco XAS 97 compressor. So, grab your tools, and let’s turn you into an Atlas Copco XAS 97 whisperer!

Understanding Your Atlas Copco XAS 97 Compressor

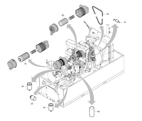
Alright, before we get our hands dirty, let’s get acquainted with the Atlas Copco XAS 97 . This is a portable, diesel-powered screw compressor that’s a beast in the construction, rental, and industrial sectors. It’s known for its reliability and efficiency, but understanding its core components is crucial for effective troubleshooting. The Atlas Copco XAS 97 typically operates with a rotary screw compression element, a diesel engine (usually a Deutz or similar), an air filtration system, an oil separation system, and a control panel. The rotary screw element is the heart of the compressor, using two intermeshing helical screws to compress air. The diesel engine provides the power to drive the screw element. The air filtration system keeps debris out of the system, while the oil separation system removes oil from the compressed air. The control panel is where you monitor pressure, temperature, and other vital signs. The Atlas Copco XAS 97 compressor is designed to deliver a specific air flow rate and pressure, which you can usually find on the machine’s data plate. So, familiarizing yourself with these key components and their functions is the first step towards becoming a compressor guru! Regularly checking the engine oil level is a simple but important task. Low oil levels can lead to severe engine damage, which results in costly repairs and downtime. Similarly, monitoring the air filter condition ensures that the engine and compressor operate efficiently and prevents contaminants from entering the system. The quality and type of oil used also significantly affect the compressor’s performance and lifespan. Make sure to use the manufacturer’s recommended oil to maintain the engine and air compression element in the best possible condition. The control panel provides valuable real-time data, which includes pressure, temperature, and running hours. Monitoring these parameters can help you detect potential issues early on. Any significant deviations from normal operating parameters should be investigated immediately to prevent more serious failures.

Key Components and Their Functions

  • Engine: The powerhouse, usually a diesel engine, that drives the compressor. Regular maintenance here is key!
  • Compressor Element: The core component that actually compresses the air, typically a rotary screw type.
  • Air Filtration System: Keeps the air clean and free of debris, which is vital for the engine and compressor life.
  • Oil Separation System: Removes oil from the compressed air. Helps maintain air quality and protects downstream equipment.
  • Control Panel: Your central hub for monitoring pressure, temperature, and other important parameters. Think of it as the brain of the operation.

Common Problems and Troubleshooting Your XAS 97

Now, let’s talk about the real stuff – what can go wrong and how to fix it! Even the most reliable machines can throw a wrench in the works. Here’s a breakdown of common issues you might encounter with your Atlas Copco XAS 97 and how to tackle them. When your Atlas Copco XAS 97 decides to act up, the first thing is not to panic. Often, a quick diagnostic check will get you back in action. Common problems range from simple fixes, like a clogged air filter or a low oil level, to more complex issues, like engine malfunctions or compressor element failures. It’s essential to approach each issue systematically, starting with the easy checks and working your way towards more complex troubleshooting steps. Many problems are indicated by the control panel. Pay attention to the warning lights and pressure readings, as they can tell you a lot about what’s going on. Also, remember to always consult the operator’s manual for specific instructions and safety precautions related to your model. So, let’s jump in and start some troubleshooting!

Low Air Pressure

If you’re noticing lower-than-normal air pressure, here’s what you should check. Low air pressure is one of the most common complaints. The first thing you need to do is to check for air leaks. Inspect all hoses, connections, and fittings for any signs of leaks. These can be easily identified by the sound of escaping air. Also, check the pressure regulator setting – make sure it’s set to the correct pressure for your tools or application. Then, check the air filters. A clogged air filter restricts airflow, which results in lower pressure. Lastly, examine the compressor element itself for any wear or damage. This might require a more in-depth inspection and possibly professional assistance. Regular maintenance, such as changing the air filter and checking for leaks, can prevent low air pressure issues and maintain optimal performance.

Engine Won’t Start

A dead engine is no fun. When the engine on your Atlas Copco XAS 97 won’t start, the first thing to do is to check the fuel level. Make sure the fuel tank has enough diesel. Next, check the battery and connections. Make sure the battery terminals are clean and the battery is fully charged. Also, inspect the fuel filter and make sure it’s not clogged. Also, check the engine oil level and the safety switches, which can prevent the engine from starting if something isn’t right. If the engine still refuses to start, it’s best to consult a qualified mechanic, especially if you suspect more serious issues like starter motor problems or engine component failures. Preventing starting problems involves regular checks of the fuel, battery, and oil levels, as well as periodic inspection of the fuel and air filters. Maintaining the engine in good condition enhances reliability and reduces unexpected downtime.

Overheating

Overheating can lead to some serious damage. If your Atlas Copco XAS 97 is overheating, it’s critical to address the issue immediately. Start by checking the coolant level and the radiator. Make sure the coolant level is correct and the radiator isn’t clogged with debris. Also, inspect the fan and fan belt. Ensure the fan is functioning properly and the belt isn’t loose or damaged. If the problem persists, it may be due to a faulty thermostat or a more serious engine issue. Always stop the compressor and allow it to cool down before attempting to troubleshoot. Regular maintenance and inspection of the cooling system will help prevent overheating issues. This includes changing coolant at the recommended intervals, cleaning the radiator, and checking the fan and belts regularly.

Air Leaks

Air leaks not only waste energy but can also affect performance. Start by carefully inspecting all hoses, fittings, and connections for signs of leaks. These are usually easy to detect because of the hissing sound of escaping air. You can also use soapy water on the connections; any leaks will produce bubbles. Then, inspect the air receiver tank and the compressor element for leaks. Repair or replace any damaged hoses or fittings. If the leak is from the tank or compressor element, you might need professional help. Regularly checking for and repairing air leaks will significantly increase the efficiency of your Atlas Copco XAS 97 .

Maintenance Schedule: Keeping Your XAS 97 in Top Shape

Regular maintenance is the secret sauce for keeping your Atlas Copco XAS 97 humming for years. Think of it as preventive medicine for your machine. Stick to the maintenance schedule recommended in your owner’s manual. A well-maintained compressor runs more efficiently, lasts longer, and saves you money in the long run. The maintenance schedule typically includes daily, weekly, monthly, and annual tasks. Following these steps consistently ensures your compressor performs at its best, reduces the risk of breakdowns, and extends its lifespan. So, let’s get into the details to become the master of the Atlas Copco XAS 97 !

Daily Checks

  • Check the engine oil level: Make sure it’s within the proper range.
  • Check the fuel level: Keep it topped up to avoid running out.
  • Inspect for leaks: Look for any oil, fuel, or air leaks.
  • Check the control panel: Make sure all gauges and indicators are in the normal range.

Weekly Checks

  • Check the air filter: Clean or replace if necessary.
  • Drain the air receiver tank: Remove any accumulated moisture.
  • Inspect the belts: Check for wear and tear.

Monthly Checks

  • Check the oil separator element: Replace if needed.
  • Check all safety devices: Ensure they are functioning properly.
  • Lubricate moving parts: Follow the manufacturer’s recommendations.

Annual Checks

  • Change the engine oil and filter: Use the correct oil type and follow the manufacturer’s recommendations.
  • Replace the air filter: Even if it seems clean, replace it as per the schedule.
  • Check the safety valves: Ensure they are working correctly.
  • Inspect the compressor element: Have it inspected by a qualified technician if necessary.

Important Safety Tips

Safety first, always! Working with any machinery, especially a powerful compressor, requires following safety guidelines to protect yourself and others. Always consult the operator’s manual for specific safety instructions related to your Atlas Copco XAS 97 model. Always wear appropriate personal protective equipment (PPE), which includes safety glasses, ear protection, and gloves. Be sure to avoid loose clothing or jewelry when working around the compressor. Always ensure the machine is properly grounded before performing any maintenance or repairs. Also, never operate the compressor in a confined space without adequate ventilation. If you are working on the compressor, always disconnect the power source or lock out the machine to prevent accidental starts. Before starting the compressor, check the area for any hazards. Familiarizing yourself with these safety tips not only protects you but also promotes a safe and efficient work environment.

Finding Replacement Parts and Expert Help

When your Atlas Copco XAS 97 needs parts or professional help, knowing where to turn is essential. The first place to check is your local Atlas Copco dealer or authorized service center. They can provide genuine Atlas Copco parts and offer expert repair services. Ensure you are buying genuine parts, which guarantee compatibility and performance. When purchasing parts, always provide the model number and serial number of your compressor to ensure you receive the correct components. Additionally, there are numerous online retailers that specialize in compressor parts. These retailers often offer a wide selection of parts and competitive pricing. Look for reputable suppliers with good reviews and customer support. If you are not comfortable performing repairs yourself, do not hesitate to seek professional help. A qualified technician will have the skills and tools to diagnose and repair any issues you might encounter. Make sure the technician is experienced in Atlas Copco compressors to ensure they can properly handle your machine.

Where to Buy Parts

  • Local Atlas Copco Dealers: Great for genuine parts and expert advice.
  • Online Retailers: Offer a wide selection and competitive pricing.
  • Authorized Service Centers: For professional repairs and maintenance.

Conclusion: Keeping Your XAS 97 Running Strong!

Alright, folks, there you have it – a comprehensive guide to keeping your Atlas Copco XAS 97 compressor in tip-top shape. Regular maintenance, knowing the common problems, and following the safety guidelines will keep your compressor running efficiently and reliably for years. By following this guide, you can confidently troubleshoot, maintain, and keep your Atlas Copco XAS 97 working hard. Remember, a little bit of proactive care goes a long way. So, get out there, take care of your compressor, and keep those projects moving forward! Do not hesitate to consult the operator’s manual for more detailed instructions and specific recommendations. Also, if you’re unsure about any repairs, always seek professional assistance.