Find Arctic Cat 2002 Parts: Your Ultimate Guide

P.Dailyhealthcures 50 views
Find Arctic Cat 2002 Parts: Your Ultimate Guide

Find Arctic Cat 2002 Parts: Your Ultimate Guide

Hey there, fellow Arctic Cat enthusiasts! Are you looking to keep your 2002 Arctic Cat machine running like new? Well, you’re in the right place! Finding the right Arctic Cat 2002 parts can sometimes feel like a treasure hunt, but fear not! This guide is your map, leading you to all the essential information to locate exactly what you need. Whether you’re a seasoned mechanic or a weekend warrior, we’ve got you covered. We’ll dive deep into where to find parts, what to consider when purchasing, and how to ensure you get the best deals possible. Ready to get your hands dirty and bring that 2002 Arctic Cat back to its former glory? Let’s jump in!

The Importance of Genuine Arctic Cat Parts

When it comes to maintaining and repairing your Arctic Cat, the quality of your parts is paramount. Using genuine Arctic Cat parts is not just about keeping your machine running; it’s about preserving its performance, reliability, and longevity. Think about it: your 2002 Arctic Cat was built with specific components engineered to work in harmony. Using aftermarket parts, while sometimes cheaper, can lead to a host of problems. These could include decreased performance, increased wear and tear on other components, and even safety hazards. Genuine Arctic Cat parts are designed to fit perfectly, perform flawlessly, and meet the high standards set by the manufacturer. They’re built to last, providing you with peace of mind knowing your machine is running at its best. Plus, using genuine parts often protects your warranty, should you have one. So, while the initial cost might be slightly higher, the long-term benefits of using genuine Arctic Cat 2002 parts far outweigh any potential savings from cheaper alternatives. It’s an investment in your machine’s future, ensuring you can enjoy many more years of riding adventures. Don’t cut corners when it comes to your Arctic Cat; stick with the best, and you’ll reap the rewards of a well-maintained, high-performing machine. And remember, when you’re out there tackling the trails, you want to be confident in your ride. Genuine Arctic Cat parts help make that happen!

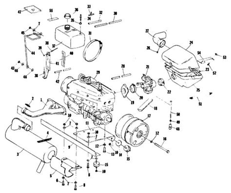
Where to Find Arctic Cat 2002 Parts

Alright, let’s get down to the nitty-gritty: where do you actually find these elusive Arctic Cat 2002 parts ? You’ve got several great options, each with its own advantages. First and foremost, your local Arctic Cat dealer is an excellent resource. These dealerships have access to the full catalog of genuine Arctic Cat parts and can often help you with installation if you need it. They have knowledgeable staff who can guide you through the process, ensuring you get the correct parts for your specific model. Next up, we have the online retailers. Websites like Amazon , eBay , and specialized powersports parts suppliers are fantastic for finding a wide range of parts, often at competitive prices. Just be sure to double-check the seller’s reputation and product reviews to ensure you’re getting quality parts. Another avenue is salvage yards and used parts dealers. If you’re on a budget or looking for a hard-to-find part, this can be a goldmine. You might find a used part in good condition for a fraction of the cost of a new one. However, be sure to inspect the part carefully before purchasing to ensure it’s in good working order. Additionally, don’t forget to check out Arctic Cat forums and online communities . Fellow enthusiasts often sell parts they no longer need, and you might find a hidden gem. These forums are also great places to ask for advice and get recommendations from people who know their stuff. When you’re browsing these sources, always have your 2002 Arctic Cat’s model number and VIN handy. This information ensures you’re ordering the correct parts for your machine. Armed with this knowledge, you’ll be well on your way to finding the Arctic Cat 2002 parts you need!

Understanding Part Numbers and Compatibility

Okay, let’s talk about something super important: part numbers and compatibility . It’s the key to getting the right Arctic Cat 2002 parts ! Each part has a unique identifier, the part number, and using this number is the most reliable way to make sure you get the correct component. You can usually find the part number in the Arctic Cat parts catalog , which you can access online or through your local dealer. The catalog is your bible, detailing every part used in your specific 2002 Arctic Cat model. When you’re browsing online or talking to a dealer, always use the part number to ensure you’re getting the right part. This minimizes the risk of ordering the wrong component and saves you time and hassle. Compatibility is another crucial factor. Just because a part looks similar doesn’t mean it will fit or function correctly in your machine. Arctic Cat designs its parts to work together seamlessly, so using the correct part number guarantees compatibility. If you’re unsure about a part’s compatibility, don’t hesitate to contact your local dealer or consult the Arctic Cat parts catalog . They can provide expert advice and ensure you’re making the right choice. Also, be wary of universal parts that claim to fit multiple models. While they can sometimes work, they might not offer the same performance or durability as a genuine Arctic Cat part designed specifically for your 2002 model . Always prioritize using the correct part number and verifying compatibility to keep your Arctic Cat running smoothly and safely. Trust me, it’ll save you headaches down the road!

Tips for Buying Arctic Cat 2002 Parts

Ready to get your shopping on? Here are some top tips to make the process of buying Arctic Cat 2002 parts as smooth and successful as possible. First, shop around . Prices can vary significantly between different retailers, so take the time to compare prices from multiple sources. Don’t be afraid to call local dealers and online retailers to get quotes. Look for deals and discounts, especially during the off-season. Second, read reviews . Before purchasing from an online retailer, check out reviews from other customers. This can give you valuable insights into the seller’s reputation, the quality of their parts, and the reliability of their shipping. Third, check the return policy . Make sure you understand the seller’s return policy before making a purchase. In case you receive a defective part or order the wrong one, you’ll want to know the process for returning it and getting a refund. Fourth, know your model . Have your Arctic Cat’s model number and VIN readily available when ordering parts. This will ensure you’re ordering the correct components and can prevent costly mistakes. Fifth, consider the shipping costs . Factor in shipping costs when comparing prices. Sometimes a seemingly cheaper part can end up costing more overall due to high shipping fees. And finally, don’t rush . Take your time to research and find the best deals. Buying Arctic Cat 2002 parts is an investment, so make sure you’re getting the best value for your money. Following these tips will help you navigate the world of Arctic Cat parts with confidence and ensure you get the right parts at the right price, keeping your machine running strong for years to come. Remember, a little preparation goes a long way!

Troubleshooting Common 2002 Arctic Cat Issues

Alright, let’s get down to some real-world troubleshooting. Knowing some common issues with the 2002 Arctic Cat models can help you narrow down the parts you might need. First up, engine issues . Over time, your engine might experience problems like hard starting, loss of power, or rough idling. These issues could be due to a variety of factors, including a faulty spark plug, a clogged carburetor, or worn-out piston rings. Check the spark plugs first; they’re relatively inexpensive and easy to replace. If that doesn’t fix the problem, you might need to clean or rebuild the carburetor, which could involve replacing jets, needles, and gaskets. Compression tests can help determine if your piston rings are worn. Next, let’s talk about the suspension . This is crucial for a smooth ride! Worn shocks, bushings, and springs can lead to a rough ride and poor handling. If your Arctic Cat feels bouncy or unstable, it might be time to replace your shocks. Worn bushings can cause clunking noises and reduced handling. Inspecting your springs for cracks or damage is also essential. Remember, a well-maintained suspension system is crucial for both comfort and safety. Then there’s the electrical system . Problems here can include dim headlights, a weak battery, or intermittent starting issues. Check the battery terminals for corrosion, and make sure your charging system is working correctly. Replacing your battery is often a simple fix for starting problems. Wiring harnesses can also develop issues over time, so inspect them for any damage or wear. Finally, we have the drive train . Issues like a slipping belt or worn-out clutch components can affect power delivery. Check your drive belt for wear and tear, and replace it if necessary. If your clutch is slipping or not engaging properly, you might need to replace clutch components like weights or springs. Addressing these common issues can help keep your 2002 Arctic Cat in top condition, making sure you can enjoy countless rides. Remember to consult your service manual for detailed instructions and always prioritize safety when performing any repairs.

Maintenance and Care for Your 2002 Arctic Cat

Taking care of your 2002 Arctic Cat is more than just fixing it when it breaks; it’s about preventative maintenance to keep it running smoothly and avoid major issues down the road. Regular maintenance extends the life of your machine and ensures your safety on the trails. First off, change your oil regularly . This is probably the single most important thing you can do for your engine. Check your owner’s manual for the recommended oil type and change intervals. Make sure to use high-quality oil designed for powersports engines. Next up, inspect your air filter . A clean air filter is essential for optimal engine performance. Replace it regularly, or clean it if it’s a reusable type. Also, check your spark plugs . Replace them according to the manufacturer’s recommendations. Worn-out spark plugs can lead to poor performance and fuel efficiency. And don’t forget about the coolant . Keep an eye on your coolant level and ensure it’s properly mixed. Flush and replace the coolant periodically to prevent corrosion in your cooling system. Inspect the drive belt for wear and tear. Replace it if it shows any signs of damage. Also, grease your suspension components regularly to keep them operating smoothly. Proper lubrication prevents wear and tear and ensures a comfortable ride. And, finally, store your machine properly during the off-season. Drain the fuel, stabilize it, and protect your machine from the elements. Following these maintenance practices will help keep your 2002 Arctic Cat in tip-top shape, so you can focus on the fun of riding. Regular care and attention are the keys to a long-lasting and reliable machine.

DIY vs. Professional Repair: Making the Right Choice

When it comes to fixing your 2002 Arctic Cat , you’ve got two main choices: DIY repair or taking it to a professional. Each option has its own pros and cons, and the best choice depends on your skills, experience, and the complexity of the repair. DIY repair is a great way to save money and learn about your machine. If you’re mechanically inclined and enjoy working on your own vehicles, you can often handle many repairs yourself. This gives you complete control over the process and allows you to understand your Arctic Cat inside and out. However, DIY repair requires time, patience, and the right tools. You’ll need to research the repair, acquire the necessary parts, and have the tools to complete the job. If you’re not comfortable with a particular repair, it’s best to seek professional help. On the other hand, professional repair offers convenience and expertise. A qualified mechanic has the skills, experience, and tools to diagnose and repair any issue on your 2002 Arctic Cat . They can quickly identify the problem, order the necessary parts, and get your machine back on the trails in no time. While professional repair can be more expensive than DIY repair , it offers peace of mind knowing the job is done correctly. When deciding between DIY repair and professional repair, consider the complexity of the repair, your skill level, and the time you’re willing to invest. For simple tasks like changing oil or replacing spark plugs, DIY repair is often a good choice. However, for more complex repairs like engine rebuilds or electrical system issues, professional repair is generally recommended. Ultimately, the choice is yours, but always prioritize safety and do what you’re comfortable with. If in doubt, consult a professional to ensure your 2002 Arctic Cat is repaired correctly and safely.

Conclusion: Keeping Your 2002 Arctic Cat Alive and Thriving

Well, there you have it, folks! We’ve covered everything from finding genuine Arctic Cat 2002 parts to troubleshooting common issues and making the right repair choices. Maintaining your 2002 Arctic Cat might seem like a challenge, but with the right knowledge, parts, and a bit of elbow grease, you can keep your machine running strong for years to come. Remember, the key to success is using genuine Arctic Cat parts , following a regular maintenance schedule, and addressing issues promptly. Whether you’re a seasoned mechanic or just starting out, taking care of your 2002 Arctic Cat is a rewarding experience. It’s about more than just keeping your machine running; it’s about enjoying the freedom and adventure that comes with riding. So, get out there, explore the trails, and make some memories. Keep your Arctic Cat well-maintained, and it will reward you with countless hours of fun and excitement. Ride on, my friends, and happy trails! And don’t forget, if you ever need help, this guide is always here to point you in the right direction for Arctic Cat 2002 parts and beyond!